
Displacement Detector
一般用途名
Click here to download documents.

一般用途名
Click here to download documents.
Displacement Detector is a sensor that detects the movement of a target object and converts the displacement into an electrical signal. It enables precise position monitoring, gap measurement and motion control in industrial equipment such as the dancer roll for winding speed control typically used in paper & pulp factories.
Accurate detection of position and displacement enables precise control of equipment such as dancer rolls, ensuring stable tension and consistent winding quality.
Real-time displacement signal allows precise motion and speed control.


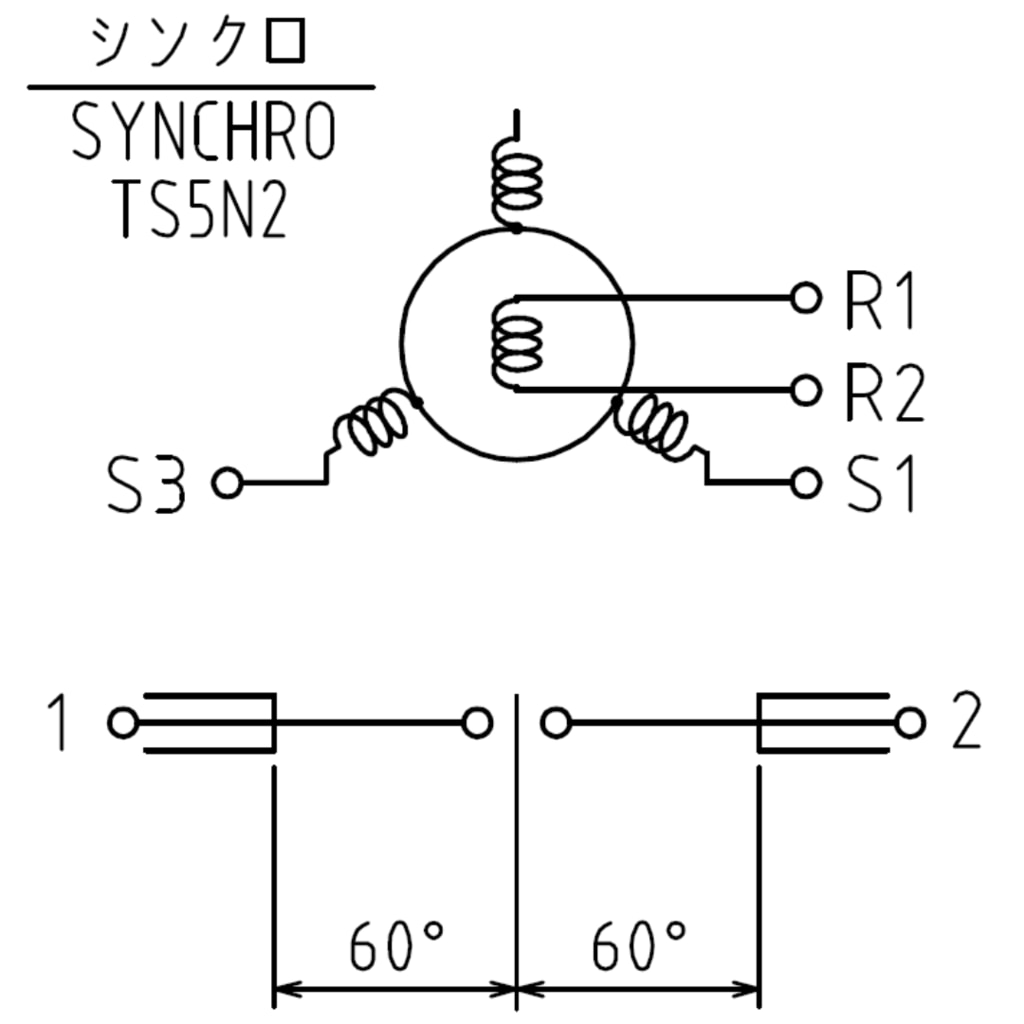
Hardly affected by external electrical noises because of high output voltage (+/-82V) of the built-in synchro transmitter.
Displacement angle range: +/-60deg.

Overtravel limit is integrated in addition to the synchro output.
Displacement angle visible as well by the indicator.

Flame-proof (d2G4) available for hazardous area.
Displacement detector operates by mechanically coupling the movement of a target object to a rotary sensing element.
Linear or angular displacement of the object is converted into a corresponding rotational motion, which is transmitted to a built-in synchro transmitter.
The synchro generates an AC output voltage proportional to the displacement angle.
This electrical signal is processed by the receiving circuit or controller to determine the displacement amount.
Due to the high output voltage of the synchro transmitter, the signal is highly resistant to external electrical noise, enabling stable and accurate position detection.

Series | Main models | Remarks |
YVGC Series | YVGC-500W | Standard, for safe area |
YVGCM Series | YVGCM-790 | Ex-proof (d2G4) |
For more details, please CLICK below [Product Catalog], [Drawing / Manuals] or ASK us via [Question and Inquiry].
Please feel free to ask us if you have any questions, inquiries or want our support.
Click here to download documents.
Click here for any questions.
Trivia, trends or information mainly for technologies.
Frequently Asked Questions.
WEBINAR archives available for free viewing.
© Matsushima Measure Tech Co., Ltd.